Втулка зажимная BK 40 (RCK 40) 95x135 (KLGG095), EMT
Арт. BK040095135EMT
Характеристики
Тип
—
BK 40
B, мм
—
38
Тип болта, мм
—
M10x25
Давление на поверхность ступицы, N/мм2
—
179
Крутящий момент, Nm
—
9326
5 115 руб./шт
Нашли дешевле?
Гарантия производителя
Цена действительна при наличии товара на складе.
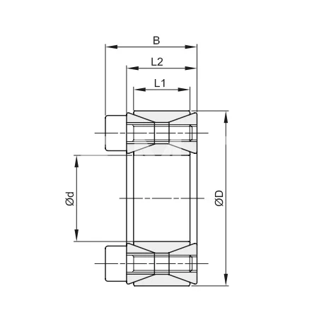
Втулка зажимная BK 40 95 x 135 (KLGG095), EMT применяется для монтажа звезд, шкивов, барабанов и других изделий на цилиндрический, бесшпоночный вал.
Тип
BK 40
B, мм
38
Тип болта, мм
M10x25
Давление на поверхность ступицы, N/мм2
179
Крутящий момент, Nm
9326
Давление на поверхность вала, N/мм2
254
Количество болтов, шт
18
Момент затяжки, Nm
69
Длина втулки L1, мм
24
Нагрузка, KN
196
Длина втулки L2, мм
28
Размер, d x D, мм
95 x 135
Производитель
EMT
Материал
Сталь C45
Вес, кг
1,62

