Втулка зажимная BK 40 (RCK 40) 25x50 (KLGG025), EMT
Арт. BK040025050EMT
Характеристики
Тип
—
BK 40
B, мм
—
26
Тип болта, мм
—
M6x18
Давление на поверхность ступицы, N/мм2
—
123
Крутящий момент, Nm
—
441
1 201 руб./шт
Нашли дешевле?
Гарантия производителя
Цена действительна при наличии товара на складе.
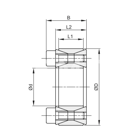
Втулка зажимная BK 40 25 x 50 (KLGG025), EMT применяется для монтажа звезд, шкивов, барабанов и других изделий на цилиндрический, бесшпоночный вал.
Тип
BK 40
B, мм
26
Тип болта, мм
M6x18
Давление на поверхность ступицы, N/мм2
123
Крутящий момент, Nm
441
Давление на поверхность вала, N/мм2
245
Количество болтов, шт
9
Момент затяжки, Nm
14,9
Длина втулки L1, мм
17
Нагрузка, KN
35
Длина втулки L2, мм
20
Размер, d x D, мм
25 x 50
Производитель
EMT
Материал
Сталь C45
Вес, кг
0,25

