Втулка зажимная BK 40 (RCK 40) 180x235 (KLGG180), EMT
Арт. BK040180235EMT
Характеристики
Тип
—
BK 40
B, мм
—
58
Тип болта, мм
—
M14x40
Давление на поверхность ступицы, N/мм2
—
167
Крутящий момент, Nm
—
45606
16 768 руб./шт
Нашли дешевле?
Гарантия производителя
Цена действительна при наличии товара на складе.
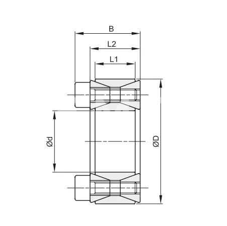
Втулка зажимная BK 40 180 x 235 (KLGG180), EMT применяется для монтажа звезд, шкивов, барабанов и других изделий на цилиндрический, бесшпоночный вал.
Тип
BK 40
B, мм
58
Тип болта, мм
M14x40
Давление на поверхность ступицы, N/мм2
167
Крутящий момент, Nm
45606
Давление на поверхность вала, N/мм2
218
Количество болтов, шт
24
Момент затяжки, Nm
187
Длина втулки L1, мм
38
Нагрузка, KN
507
Длина втулки L2, мм
44
Размер, d x D, мм
180 x 235
Производитель
EMT
Материал
Сталь C45
Вес, кг
6,00

