Втулка зажимная BK 40 (RCK 40) 170x225 (KLGG170), EMT
Арт. BK040170225EMT
Характеристики
Тип
—
BK 40
B, мм
—
58
Тип болта, мм
—
M14x40
Давление на поверхность ступицы, N/мм2
—
160
Крутящий момент, Nm
—
39483
15 346 руб./шт
Нашли дешевле?
Гарантия производителя
Цена действительна при наличии товара на складе.
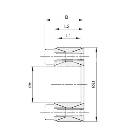
Втулка зажимная BK 40 170 x 225 (KLGG170), EMT применяется для монтажа звезд, шкивов, барабанов и других изделий на цилиндрический, бесшпоночный вал.
Тип
BK 40
B, мм
58
Тип болта, мм
M14x40
Давление на поверхность ступицы, N/мм2
160
Крутящий момент, Nm
39483
Давление на поверхность вала, N/мм2
212
Количество болтов, шт
22
Момент затяжки, Nm
187
Длина втулки L1, мм
38
Нагрузка, KN
465
Длина втулки L2, мм
44
Размер, d x D, мм
170 x 225
Производитель
EMT
Материал
Сталь C45
Вес, кг
5,80

