Втулка зажимная BK 40 (RCK 40) 140x190 (KLGG140), EMT
Арт. BK040140190EMT
Характеристики
Тип
—
BK 40
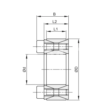
B, мм
—
50
Тип болта, мм
—
M12x35
Давление на поверхность ступицы, N/мм2
—
163
Крутящий момент, Nm
—
24993
10 398 руб./шт
Нашли дешевле?
Гарантия производителя
Цена действительна при наличии товара на складе.
Втулка зажимная BK 40 140 x 190 (KLGG140), EMT применяется для монтажа звезд, шкивов, барабанов и других изделий на цилиндрический, бесшпоночный вал.
Тип
BK 40
B, мм
50
Тип болта, мм
M12x35
Давление на поверхность ступицы, N/мм2
163
Крутящий момент, Nm
24993
Давление на поверхность вала, N/мм2
221
Количество болтов, шт
22
Момент затяжки, Nm
123,3
Длина втулки L1, мм
34
Нагрузка, KN
357
Длина втулки L2, мм
38
Размер, d x D, мм
140 x 190
Производитель
EMT
Материал
Сталь C45
Вес, кг
3,85

