Втулка зажимная BK 40 (RCK 40) 110x155 (KLGG110), EMT
Арт. BK040110155EMT
Характеристики
Тип
—
BK 40
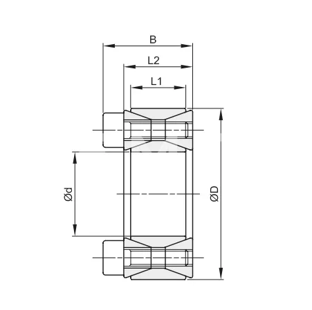
B, мм
—
45
Тип болта, мм
—
M12x30
Давление на поверхность ступицы, N/мм2
—
166
Крутящий момент, Nm
—
12498
6 537 руб./шт
Нашли дешевле?
Гарантия производителя
Цена действительна при наличии товара на складе.
Втулка зажимная BK 40 110 x 155 (KLGG110), EMT применяется для монтажа звезд, шкивов, барабанов и других изделий на цилиндрический, бесшпоночный вал.
Тип
BK 40
B, мм
45
Тип болта, мм
M12x30
Давление на поверхность ступицы, N/мм2
166
Крутящий момент, Nm
12498
Давление на поверхность вала, N/мм2
234
Количество болтов, шт
14
Момент затяжки, Nm
123,3
Длина втулки L1, мм
26
Нагрузка, KN
227
Длина втулки L2, мм
33
Размер, d x D, мм
110 x 155
Производитель
EMT
Материал
Сталь C45
Вес, кг
2,15

