Втулка зажимная BK 26 (RCK 26) 25x35 (KLFC025), EMT
Арт. BK026025035EMT
Характеристики
Тип
—
BK 26
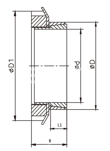
D1, мм
—
45
B, мм
—
18
Тип болта, мм
—
M30x1,5
Давление на поверхность ступицы, N/мм2
—
150
891 руб./шт
Гарантия производителя
Цена действительна при наличии товара на складе.
Втулка зажимная BK 26 25 x 35 (KLFC025), EMT применяется для монтажа звезд, шкивов, барабанов и других изделий на цилиндрический, бесшпоночный вал.
Тип
BK 26
D1, мм
45
B, мм
18
Тип болта, мм
M30x1,5
Давление на поверхность ступицы, N/мм2
150
Крутящий момент, Nm
144
Давление на поверхность вала, N/мм2
210
Момент затяжки, Nm
220
Длина втулки L1, мм
6,5
Нагрузка, KN
12
Размер, d x D, мм
25 x 35
Производитель
EMT
Материал
Сталь C45
Вес, кг
0,17

