Втулка зажимная BK 16 (RCK 16) 85x125 (KLAB085), EMT
Арт. BK016085125EMT
Характеристики
Тип
—
BK 16
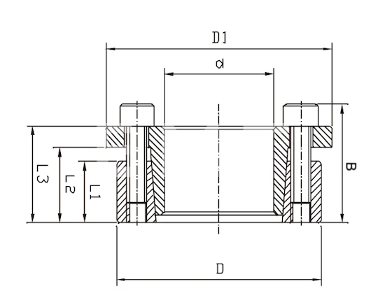
D1, мм
—
134
B, мм
—
50
Тип болта, мм
—
M10x30
Давление на поверхность ступицы, N/мм2
—
133
4 397 руб./шт
Нашли дешевле?
Гарантия производителя
Цена действительна при наличии товара на складе.
Втулка зажимная BK 16 85 x 125 (KLAB085), EMT применяется для монтажа звезд, шкивов, барабанов и других изделий на цилиндрический, бесшпоночный вал.
Тип
BK 16
D1, мм
134
B, мм
50
Тип болта, мм
M10x30
Давление на поверхность ступицы, N/мм2
133
Крутящий момент, Nm
5742
Давление на поверхность вала, N/мм2
195
Количество болтов, шт
9
Длина втулки L3, мм
40
Момент затяжки, Nm
83
Длина втулки L1, мм
24
Нагрузка, KN
135
Длина втулки L2, мм
30
Размер, d x D, мм
85 x 125
Производитель
EMT
Материал
Сталь C45
Вес, кг
2,00

