Втулка зажимная BK 16 (RCK 16) 60x90 (KLAB060), EMT
Арт. BK016060090EMT
Характеристики
Тип
—
BK 16
D1, мм
—
99
B, мм
—
41
Тип болта, мм
—
M8x25
Давление на поверхность ступицы, N/мм2
—
121
2 188 руб./шт
Нашли дешевле?
Гарантия производителя
Цена действительна при наличии товара на складе.
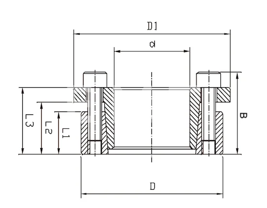
Втулка зажимная BK 16 60 x 90 (KLAB060), EMT применяется для монтажа звезд, шкивов, барабанов и других изделий на цилиндрический, бесшпоночный вал.
Тип
BK 16
D1, мм
99
B, мм
41
Тип болта, мм
M8x25
Давление на поверхность ступицы, N/мм2
121
Крутящий момент, Nm
2223
Давление на поверхность вала, N/мм2
182
Количество болтов, шт
8
Длина втулки L3, мм
33
Момент затяжки, Nm
41
Длина втулки L1, мм
20
Нагрузка, KN
74
Длина втулки L2, мм
25
Размер, d x D, мм
60 x 90
Производитель
EMT
Материал
Сталь C45
Вес, кг
0,90

