Полумуфта GS24 безлюфтовая, с готовым отверстием d=15 мм, шпон паз 5х2,3мм, EMT
Арт. GESM24/28F15C
Характеристики
Крутящий момент максимальный, TK max, Nm
—
150
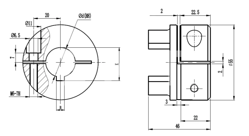
A, мм
—
55
Посадка на вал
—
Со шпонкой
Тип муфты
—
GS 24
Ширина полумуфты, C, мм
—
30
2 254 руб./шт
Нашли дешевле?
Гарантия производителя
Цена действительна при наличии товара на складе.
Крутящий момент максимальный, TK max, Nm
150
A, мм
55
Посадка на вал
Со шпонкой
Тип муфты
GS 24
Ширина полумуфты, C, мм
30
E min, мм
56,4
G, мм
27
S, мм
2,0
P, мм
4
Тип болта, мм
M6
T, мм
12
M, мм
18
Момент затяжки, Nm
11
Скорость вращения, max
10600
Диаметр отверстия, D1, мм
15
Длина муфты в сборе, L, мм
78
Крутящий момент, TK, Nm
75
Производитель
EMT
Материал
Алюминий
Вес, кг
0,16

