Полумуфта GS14 безлюфтовая, с готовым отверстием d=15 мм, шпон паз 5х2,3мм, EMT
Арт. GESM14F15C
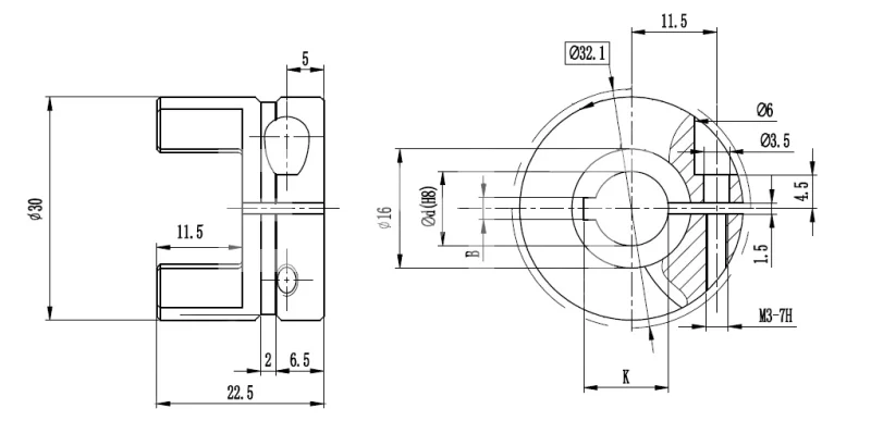
Характеристики
Крутящий момент максимальный, TK max, Nm
—
32
A, мм
—
30
Посадка на вал
—
Со шпонкой
Тип муфты
—
GS 14
Ширина полумуфты, C, мм
—
11
750 руб./шт
Нашли дешевле?
Гарантия производителя
Цена действительна при наличии товара на складе.
Крутящий момент максимальный, TK max, Nm
32
A, мм
30
Посадка на вал
Со шпонкой
Тип муфты
GS 14
Ширина полумуфты, C, мм
11
E min, мм
32,2
G, мм
10,5
S, мм
1,5
P, мм
2
Тип болта, мм
M3
T, мм
6
M, мм
13
Момент затяжки, Nm
1,4
Скорость вращения, max
19000
Диаметр отверстия, D1, мм
15
Длина муфты в сборе, L, мм
35
Крутящий момент, TK, Nm
16
Производитель
EMT
Материал
Алюминий
Вес, кг
0,020

