Коническая пара прямозубая (B) C32B301, передат. число=1:1, M=5, Z=30/30, EMT
Арт. C32B301
Характеристики
Модуль, М
—
5
A, мм
—
68,9
D1, мм
—
30
F, мм
—
32
Lm, мм
—
35
19 731 руб./шт
Нашли дешевле?
Гарантия производителя
Цена действительна при наличии товара на складе.
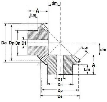
Коническая пара прямозубая, тип В, i=1:1, М=5, Z=30/30, под брендом "ЕМТ", является механизмом, состоящий из скрепленных колес с зубьями. Предназначены для передачи крутящего момента под углом 90 град. Имеют угол наклона зубьев 20 градусов и необходимы, когда пересекаются приводные валы и требуется передать вращательное движение.
Модуль, М
5
A, мм
68,9
D1, мм
30
F, мм
32
Lm, мм
35
Dn, мм
80,3
Количество зубьев, шт
30
De, мм
157,1
Передаточное отношение
1:1
dm, мм
50,1
Dp, мм
150
Производитель
EMT
Материал
Сталь C45
Вес, кг
4,13

