Новосибирск
Каталог
  • Муфты соединительные
    • Безлюфтовые муфты с готовым отверстием
    • Жесткие зажимные муфты
    • Цепные муфты
    • Кулачковые муфты GE с готовым отверстием
    • Кулачковые муфты GE под втулку тапербуш
    • Кулачковые муфты GE под расточку из чугуна
    • Кулачковые муфты GE под расточку из алюминия
    • Кулачковые муфты HRC под втулку тапербуш
    • Кулачковые муфты HRC под расточку
    • Кулачковые муфты N-EUPEX под втулку тапербуш
    • Кулачковые муфты N-EUPEX под расточку
    • Кулачковые муфты GE из стали
    • Безлюфтовые муфты под расточку
    • Зубчатые муфты GF
    • Муфты торообразные FLEX
    • Полиамидные гильзы для муфт GF/BOWEX
    • Упругие элементы для муфт торообразныx FLEX
    • Упругие элементы для муфт HRC
    • Упругие элементы для муфт GEB
    • Упругие элементы для муфт ES
    • Упругие элементы для муфт N-EUPEX
  • Втулки зажимные
    • ABRR
    • BK 10 из нержавеющей стали
    • BK 11 (RCK 11)
    • BK 13 (RCK 13)
    • BK 15 (RCK 15)
    • BK 16 (RCK 16)
    • BK 19 (RCK 19)
    • BK 26 (RCK 26)
    • BK 26/1 (RCK 26)
    • BK 30 из нержавеющей стали
    • BK 40 (RCK 40)
    • BK 40 из нержавеющей стали
    • BK 45 (RCK 45)
    • BK 50 (RCK 50)
    • BK 61 (RCK 61)
    • BK 61 из нержавеющей стали
    • BK 70 (RCK 70)
    • BK 71 (RCK 71)
    • BK 80 (RCK 80)
    • BK 80 из нержавеющей стали
    • BK 95 (RCK 95)
    • KBS 56 MINI
    • KBS 58 MINI
  • Втулки конические тапербуш
    • TB-1008
    • TB-1108
    • TB-1210
    • TB-1215
    • TB-1610
    • TB-1615
    • TB-2012
    • TB-2517
    • TB-3020
    • TB-3030
    • TB-3525
    • TB-3535
    • TB-4030
    • TB-4040
    • TB-4535
    • TB-4545
    • TB-5040
    • TB-5050
    • Винты для втулок TB
  • Клиновые ремни
    • Клиновые ремни A
    • Клиновые ремни B (Б)
    • Клиновые ремни C (В)
    • Клиновые ремни SPA и XPA
    • Клиновые ремни SPB и XPB
    • Клиновые ремни SPC и XPC
    • Клиновые ремни SPZ и XPZ
  • Цепи приводные роликовые
    • Американского стандарта
    • Европейского стандарта
    • Из нержавеющей стали
    • Соединительные и переходные звенья для роликовых цепей
  • Шкивы клиновые
    • Под втулку ТВ
  • Ступицы
    • Ступицы под соединение болтами
    • Ступицы приварные
  • Конические зубчатые пары
    • Конические прямозубые пары
  • Натяжные устройства
    • Автоматические осевые натяжители цепей и ремней Murtfeldt
    • Звездочки натяжные
    • Ролики для натяжения приводных ремней
    • Рычаги натяжители ROSTA
Бренды
Статьи
Компания
  • О компании
Контакты
    +7(966)-756-39-33
    +7(966)-756-39-33
    Заказать звонок
    E-mail
    info@emtshop.ru
    Режим работы

    Пн. – Пт.: с 9:00 до 18:00

    Заказать звонок
    Интернет-магазин бренда EMT
    • Муфты соединительные
      Муфты соединительные
      • Безлюфтовые муфты с готовым отверстием
      • Жесткие зажимные муфты
      • Цепные муфты
      • Кулачковые муфты GE с готовым отверстием
      • Кулачковые муфты GE под втулку тапербуш
      • Кулачковые муфты GE под расточку из чугуна
      • Кулачковые муфты GE под расточку из алюминия
      • Кулачковые муфты HRC под втулку тапербуш
      • Кулачковые муфты HRC под расточку
      • Кулачковые муфты N-EUPEX под втулку тапербуш
      • Кулачковые муфты N-EUPEX под расточку
      • Кулачковые муфты GE из стали
      • Безлюфтовые муфты под расточку
      • Зубчатые муфты GF
      • Муфты торообразные FLEX
      • Полиамидные гильзы для муфт GF/BOWEX
      • Упругие элементы для муфт торообразныx FLEX
      • Упругие элементы для муфт HRC
      • Упругие элементы для муфт GEB
      • Упругие элементы для муфт ES
      • Упругие элементы для муфт N-EUPEX
      • Еще
    • Втулки зажимные
      Втулки зажимные
      • ABRR
      • BK 10 из нержавеющей стали
      • BK 11 (RCK 11)
      • BK 13 (RCK 13)
      • BK 15 (RCK 15)
      • BK 16 (RCK 16)
      • BK 19 (RCK 19)
      • BK 26 (RCK 26)
      • BK 26/1 (RCK 26)
      • BK 30 из нержавеющей стали
      • BK 40 (RCK 40)
      • BK 40 из нержавеющей стали
      • BK 45 (RCK 45)
      • BK 50 (RCK 50)
      • BK 61 (RCK 61)
      • BK 61 из нержавеющей стали
      • BK 70 (RCK 70)
      • BK 71 (RCK 71)
      • BK 80 (RCK 80)
      • BK 80 из нержавеющей стали
      • BK 95 (RCK 95)
      • KBS 56 MINI
      • KBS 58 MINI
      • Еще
    • Втулки конические тапербуш
      Втулки конические тапербуш
      • TB-1008
      • TB-1108
      • TB-1210
      • TB-1215
      • TB-1610
      • TB-1615
      • TB-2012
      • TB-2517
      • TB-3020
      • TB-3030
      • TB-3525
      • TB-3535
      • TB-4030
      • TB-4040
      • TB-4535
      • TB-4545
      • TB-5040
      • TB-5050
      • Винты для втулок TB
      • Еще
    • Клиновые ремни
      Клиновые ремни
      • Клиновые ремни A
      • Клиновые ремни B (Б)
      • Клиновые ремни C (В)
      • Клиновые ремни SPA и XPA
      • Клиновые ремни SPB и XPB
      • Клиновые ремни SPC и XPC
      • Клиновые ремни SPZ и XPZ
      • Еще
    • Цепи приводные роликовые
      Цепи приводные роликовые
      • Американского стандарта
      • Европейского стандарта
      • Из нержавеющей стали
      • Соединительные и переходные звенья для роликовых цепей
      • Еще
    • Шкивы клиновые
      Шкивы клиновые
      • Под втулку ТВ
    • Ступицы
      Ступицы
      • Ступицы под соединение болтами
      • Ступицы приварные
    • Конические зубчатые пары
      Конические зубчатые пары
      • Конические прямозубые пары
    • Натяжные устройства
      Натяжные устройства
      • Автоматические осевые натяжители цепей и ремней Murtfeldt
      • Звездочки натяжные
      • Ролики для натяжения приводных ремней
      • Рычаги натяжители ROSTA
      • Еще
    Войти
    0 Избранное
    0 Корзина
    Муфты соединительные Клиновые ремни Втулки тапербуш Шкивы клиновые Цепи приводные роликовые Конические зубчатые пары Натяжные устройства
    Интернет-магазин бренда EMT
    Войти
    0 Избранное
    0 Корзина
    Новосибирск
    Интернет-магазин бренда EMT
    Телефоны
    +7(966)-756-39-33
    Заказать звонок
    0
    0
    Интернет-магазин бренда EMT
    • Кабинет
    • 0 Избранное
    • 0 Корзина
    • Новосибирск
      • Назад
      • Города
    • +7(966)-756-39-33
      • Назад
      • Телефоны
      • +7(966)-756-39-33
      • Заказать звонок
    • info@emtshop.ru
    • Пн. – Пт.: с 9:00 до 18:00

    Главная
    –
    Статьи
    –
    Обзоры товаров
    –Зубчатые шкивы Т10 Z=22 по индивидуальному чертежу: как мы решили нестандартную задачу для металлообрабатывающего предприятия

    Зубчатые шкивы Т10 Z=22 по индивидуальному чертежу: как мы решили нестандартную задачу для металлообрабатывающего предприятия

    Зубчатые шкивы Т10 Z=22 по индивидуальному чертежу: как мы решили нестандартную задачу для металлообрабатывающего предприятия | Статьи бренда ЕМТ

    Производственное оборудование не прощает компромиссов. Когда речь идёт о деталях привода особенно о зубчатых шкивах, от которых зависит точность и ритмичность работы всей линии, даже незначительное несоответствие размеров может привести к преждевременному износу ремня, сбоям в работе узла или внеплановому простою оборудования. Именно поэтому, когда стандартные решения не подходят, производственники обращаются за изготовлением деталей по индивидуальному чертежу.

    Именно с такой задачей к нам пришёл наш новый клиент.

    Клиент и его задача

    Заказчик - компания, работающая в сфере металлообработки и располагающая собственным станочным парком. В ходе обслуживания или модернизации одной из линий возникла необходимость в замене зубчатых шкивов. Стандартные изделия из наличия у дистрибьюторов не подошли по конструктивным параметрам: индивидуальные посадочные размеры и особенности исполнения требовали изготовления деталей по собственному чертежу.

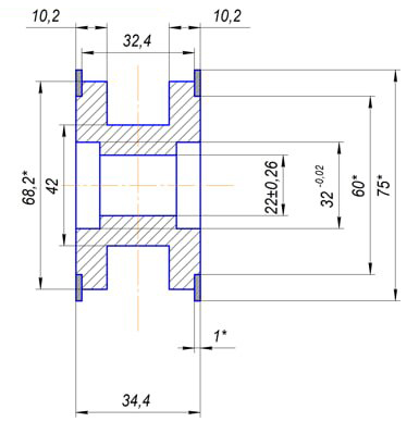
    Клиент обратился к нам в компанию с готовой конструкторской документацией и запросом на изготовление партии из 6 штук зубчатых шкивов со следующими параметрами:

    • Профиль зуба: Т10 (метрический зубчатый профиль)
    • Число зубьев: Z=22
    • Исполнение: по индивидуальному чертежу

    Дополнительным требованием были сжатые сроки: оборудование простаивало, и затягивать с поставкой деталей было недопустимо.



    Что такое шкив Т10 и почему так важна точность

    Профиль Т10 - это один из наиболее распространённых стандартов метрического зубчатого ремня с шагом 10 мм. Шкивы этого типа применяются в широком спектре оборудования: станках с числовым программным управлением, конвейерных системах, упаковочных и фасовочных линиях, деревообрабатывающих и металлообрабатывающих станках.

    Главное преимущество зубчатой ременной передачи - абсолютная синхронность: в отличие от клиноремённых передач, здесь исключено проскальзывание, а значит, угловое положение ведущего и ведомого валов строго связано. Это критично для осей подачи, позиционирующих механизмов и любых узлов, где важна повторяемость перемещений.

    Именно поэтому зубчатые шкивы должны изготавливаться с высокой точностью: отклонения в шаге зубьев, биение посадочного отверстия или неправильно выполненный шпоночный паз немедленно скажутся на работе всей передачи.

    Технология изготовления: почему мы выбрали заготовку

    Получив чертёж, наши специалисты оценили несколько возможных подходов к изготовлению. Изготовление шкива «с нуля» из металлического прутка технически возможно, однако требует нарезки зубьев на специализированном зубофрезерном оборудовании - это увеличивает и стоимость, и сроки, особенно при небольшой партии.

    Оптимальным решением стало использование промышленных заготовок зубчатого шкива с профилем Т10. Такие заготовки выпускаются с уже сформированным зубчатым венцом, соответствующим стандарту, и требуют только финальной механической обработки под индивидуальные размеры: расточки посадочного отверстия, фрезеровки шпоночного паза, обработки торцов и ступицы.

    Этот подход позволил нам:

    • Сократить сроки - вся работа заняла 3–5 рабочих дней с момента согласования чертежа
    • Обеспечить стабильный профиль зуба - заводская заготовка гарантирует правильную геометрию зубчатого венца без рисков, связанных с единичным нарезанием
    • Выдержать точность посадочных размеров - токарная обработка отверстия и паза выполнялась по чертёжным допускам с контролем на каждом этапе
    • Уложиться в бюджет - исключение операции нарезания зубьев снизило себестоимость без ущерба для качества

    Контроль качества и передача заказа

    После обработки каждый из 6 шкивов прошёл контроль по ключевым параметрам: диаметру и допуску посадочного отверстия, геометрии шпоночного паза, торцевому биению и соответствию габаритных размеров чертежу. Только после подтверждения соответствия детали были переданы заказчику.

    Клиент получил готовую партию в оговорённые сроки. Шкивы были установлены в оборудование, и линия возобновила работу без дополнительных доработок на месте что, собственно, и является главным показателем качества нашей работы.

    Мы работаем с нестандартными задачами

    Этот заказ - один из многих, которые наша компания выполняет для производственных предприятий, когда стандартные каталожные решения не подходят. Мы изготавливаем зубчатые шкивы всех распространённых профилей: T5, T10, T20, AT5, AT10, HTD 3M, HTD 5M, HTD 8M и других, как из заготовок, так и полностью из металлического проката при необходимости.

    Принимаем заказы на единичные изделия и малые серии. Работаем по чертежам заказчика или помогаем разработать конструкцию детали, если документации ещё нет.

    Если вам нужны нестандартные шкивы, звёздочки или другие детали привода - оставьте заявку на сайте или свяжитесь с нами напрямую. Расчёт стоимости и сроков - в течение одного рабочего дня.
    Назад к списку
    • Все публикации 6
      • Обзоры товаров 6
    Каталог
    Бренды
    Помощь
    Контакты
    +7(966)-756-39-33
    +7(966)-756-39-33
    Заказать звонок
    E-mail
    info@emtshop.ru
    Режим работы

    Пн. – Пт.: с 9:00 до 18:00

    info@emtshop.ru
    © 2026 Интернет-магазин бренда ЕМТ. Вся информация представленная на сайте, касающаяся технических характеристик, наличия, стоимости, носит информационный характер и ни при каких условиях не является публичной офертой, определяемой положениями Статьи 437(2) Гражданского кодекса РФ. Для получения более подробной информации о наличии, цене и условиях отгрузки товаров, обратитесь к нашим специалистам с помощью формы обратной связи или по телефонам, указанным в разделе Контакты.
    Конфиденциальность
    Главная Каталог 0 Корзина 0 Избранные Кабинет
    Для корректной работы сайта - используем куки.
    Принять